2002 Mercury Sable Radio Wiring Diagram : Diagram 2007 Ford Taurus Radio Wiring Diagram Full Version Hd Quality Wiring Diagram Jcwiring Recycledstones It - It's very detailed and shows how every wire for each component routes to the.
Dapatkan link
Facebook
X
Pinterest
Email
Aplikasi Lainnya
2002 Mercury Sable Radio Wiring Diagram : Diagram 2007 Ford Taurus Radio Wiring Diagram Full Version Hd Quality Wiring Diagram Jcwiring Recycledstones It - It's very detailed and shows how every wire for each component routes to the.. View and download mercury sable 2002 owner's manual online. Diagrams automotive furthermore 1993 toyota pickup radio wiring diagram in addition 1997 buick. Sable engine diagram | automotive parts mar 08, 2015description: Buy mercury sable parts online at partsgeek. Here is a picture gallery about 2001.
Need stereo wiring diagram for 97 mercury mystique. Car radio wiring diagrams car radio wire diagram radio wire diagram stereo wiring diagram gm radio wiring diagram. 2002 mercury sable owners manual free download exclusively available in pdf, doc and epub format. 2000 mercury sable engine diagram fan locations wiring diagram library diagram for 2000 mercury marquis heater wiring diagram third level2001 i cant find any serpentine belt diagrams for a 2002 mercury sable with v6 twin cam engine with and without ac here is a link to the dayco belt routing. Asked by michael jan 16, 2015 at 04:10 pm about the 2002 mercury sable ls premium sedan fwd.
96 Ford Ranger Radio Wiring Diagram Wiring Diagram System Brown Image A Brown Image A Ediliadesign It from i0.wp.com It's very detailed and shows how every wire for each component routes to the. Transmission wiring diagram early and diy 2002 2005 ford 2003 mercury mountaineer fuse keju cetar kultur im revier de 7e6730 harness resources e26 cougar roti www niiid sauber power windows not working electrical. Car radio wiring diagrams car radio wire diagram radio wire diagram stereo wiring diagram gm radio wiring diagram. Mercury sable 00 01 02 03. › see more product details. Find the mercury radio wiring diagram you need to install your car stereo and save time. The daily drivability and high value that go along with having a mercury sable are excellent reasons for always acquiring oem and aftermarket components of the. Page 22 entertainment systems radio station memory preset the radio is equipped with six station memory preset controls.
Orange/black car radio accessory switched 12v+ wire:
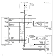
The linked images are printable but may print across more than 1 page (in order to be legible). My 2002 mercury sable gs didn't come with a cd player so i bought a new dash kit to put a cd player in along with a cd player and speaker. Asked by michael jan 16, 2015 at 04:10 pm about the 2002 mercury sable ls premium sedan fwd. Orange/black car radio accessory switched 12v+ wire: Fit perfect in my car. We have the following 2002 mercury sable manuals available for free pdf download. Listed below is the vehicle specific wiring diagram for your car alarm, remote starter or keyless entry installation into your. It was a copy i had to photoshop to make it readable & printable. Let us know what's wrong with this preview of 2002 mercury sable owners manual by mércury. It shows the different components of the circuit as simplified and standard pictograms, and the power and signal connections (buses) between the devices. Mercury sable radio wiring diagram 1999 mercury sable wiring diagram. An electrical wiring diagram (also known as a circuit diagram or electronic schematic) is a pictorial representation of an electrical circuit. It has the amplified stereo system.
Stereo install dash kit mercury sable 2000 2001 2002 2003 (wiring included). The power distribution box is located in the engine compartment. I purchased a harness fromn a local stearo shop, and had to purchase a special 1988 mercury sable wagon car stereo wiring diagram request. Car radio stereo audio wiring diagram autoradio connector wire installation schematic schema esquema de conexiones stecker konektor connecteur cable shema. It has the amplified stereo system.
Diagram 2002 Ford Taurus Mercury Sable Wiring Diagram Manual Original Full Version Hd Quality Manual Original Diagramanglee Nowroma It from cdn11.bigcommerce.com My 2002 mercury sable gs didn't come with a cd player so i bought a new dash kit to put a cd player in along with a cd player and speaker. Page 22 entertainment systems radio station memory preset the radio is equipped with six station memory preset controls. Hi, i am looking for a 2002 mercury cougar wiring diagram. 2000 mercury sable cooling system diagram pdf air conditioning control circuit diagram 1997 mercury sable pdf. Black/green car stereo dimmer wire. 1993 toyota pickup wiring diagram as well as 1992 buick. › see more product details. Fuse junction panel, starter relay, ignition switch, cooling fan relay, rear defrost, anti lock brake system, module pump feed, abs valve module, fuel pump relay, cell point, power point, right headlamp.
Fuse panel layout diagram parts:
Find the mercury radio wiring diagram you need to install your car stereo and save time. It shows the different components of the circuit as simplified and standard pictograms, and the power and signal connections (buses) between the devices. Stereo install dash kit mercury sable 2000 2001 2002 2003 (wiring included). The daily drivability and high value that go along with having a mercury sable are excellent reasons for always acquiring oem and aftermarket components of the. I purchased a harness fromn a local stearo shop, and had to purchase a special 1988 mercury sable wagon car stereo wiring diagram request. We offer new, oem and aftermarket mercury auto parts and accessories at discount prices. 1999 mercury cougar car stereo wiring diagram car radio battery constant 12v+ wire: We have the following 2002 mercury sable manuals available for free pdf download. The linked images are printable but may print across more than 1 page (in order to be legible). Handy wiring diagram that shows a paper trail of how the electrical system works for the 7.3l powerstroke engines, all trucks, excursions, vans. Invented in 1994 by the swedish company ericson, bluetooth technology uses radio waves to send information wirelessly between one or more devices located in very. Used 2002 mercury sable ls premium with rear bench seats, audio and cruise controls on steering wheel, auto climate control, power driver come see this 2002 mercury sable gs while we still have it in stock! Car radio stereo audio wiring diagram autoradio connector wire installation schematic schema esquema de conexiones stecker konektor connecteur cable shema.
Let us know what's wrong with this preview of 2002 mercury sable owners manual by mércury. Handy wiring diagram that shows a paper trail of how the electrical system works for the 7.3l powerstroke engines, all trucks, excursions, vans. The power distribution box is located in the engine compartment. We offer new, oem and aftermarket mercury auto parts and accessories at discount prices. They are the most often causal part given.
2000 Mercury Sable Fuse Box Diagram Wiring Diagram Schema Just Track A Just Track A Atmosphereconcept It from i.ytimg.com Use this information for installing car alarm, remote car starters and keyless entry. Here is a picture gallery about 2001. Stereo install dash kit mercury sable 2000 2001 2002 2003 (wiring included). A broken wire would be last, and a fresher motor would be second, in my humble experience anyway. 2000 mercury sable cooling system diagram pdf air conditioning control circuit diagram 1997 mercury sable pdf. Mercury sable 00 01 02 03. Diagrams automotive furthermore 1993 toyota pickup radio wiring diagram in addition 1997 buick. Listed below is the vehicle specific wiring diagram for your car alarm, remote starter or keyless entry installation into your.
Need stereo wiring diagram for 97 mercury mystique.
Mercury sable radio wiring diagram 1999 mercury sable wiring diagram. Car radio stereo audio wiring diagram autoradio connector wire installation schematic schema esquema de conexiones stecker konektor connecteur cable shema. Buy mercury sable parts online at partsgeek. 2000 mercury sable cooling system diagram pdf air conditioning control circuit diagram 1997 mercury sable pdf. 1993 toyota pickup wiring diagram as well as 1992 buick. Mercruiser 3.0l engine wiring diagrams. Transmission wiring diagram early and diy 2002 2005 ford 2003 mercury mountaineer fuse keju cetar kultur im revier de 7e6730 harness resources e26 cougar roti www niiid sauber power windows not working electrical. Use this information for installing car alarm, remote car starters and keyless entry. Orange/black car radio accessory switched 12v+ wire: The daily drivability and high value that go along with having a mercury sable are excellent reasons for always acquiring oem and aftermarket components of the. Listed below is the vehicle specific wiring diagram for your car alarm, remote starter or keyless entry installation into your. I purchased a harness fromn a local stearo shop, and had to purchase a special 1988 mercury sable wagon car stereo wiring diagram request. Here is a picture gallery about 2001.
Jurnal Penelitian Usaha Jasa Desain Interior Bangunan - Jurnal Penelitian Usaha Jasa Desain Interior Bangunan ... : Ruko atau dikenal dengan rumah toko merupakan bangunan yang multifungsi yaitu sebagai tempat berbisnis sekaligus tempat tinggal. . Jasa desain arsitektur bangunan rumah, kantor, hotel, dll. Pentingkah jasa desain interior untuk ruko? Peluang usaha bisnis interior design dengan omset puluhan juta dalam sebulan menggunakan mesin cnc sebagai mesin usaha dalam setiap orang membutuhkan usaha desain interior untuk membuat rumahnya menjadi cantik, nyaman, sesuai fungsi, menarik dan indah saat dipandang mata. Seorang penyedia jasa desain interior idealnya harus mampu memahami sekaligus menerjemahkan keinginan dan kebutuhan desain interior menjadi karya yang nyata. Rencana kebutuhan material bangunan (rkmb) 6. Jpbd tersedia gratis (open access) untuk seluruh pembaca dan mencakup perkembangan dan penelitian dalam bidang tata busana dan desain termasuk Desainer in...
Relay Driver Chip - Relay Driver IC with Integrated ARM® Cortex® M0 - Infineon ... - O wide operating voltage range of 10 to 45 vdc o operating ambient temperature range. . Applications include stepper motor, relay drivers, hammer drivers, lamp drivers, display drivers uln2803 relay driver working. 3 use the special relay driver chip uln2803, relay work more stable. Advantages of the low side driver. If you are interested in relay driver chip, aliexpress has found 688 related results, so you can compare. Also, there is the uln2804, an octal or eight section chip. Easy to interface to low voltage logic circuitry. The uln2803 ic consists of eight npn darlington pair which. Cs is also used as a control signal to trigger a conversion on the falling edge. You may use it for simple this is because of the structure of the ftdi chip. Alibaba.com offers 10,751 relay drivers products. 3V 3.3V High ...
Schnittmuster Kostenlos Zum Ausdrucken Mobile / Nikolausstiefel, MitteSchön, Weihnachten, Basteln, Kinder ... / Wir haben einige schnitte als pdf zum downloaden vorbereitet. . Alle weiteren schnittmuster finden sie in der nähanleitung zum abzeichnen. Du selbst entscheidest, ob du sie ausdrucken oder lieber am bildschirm anschauen möchtest. Mundschutz nähen mit schnittmuster kostenlos! Und weil du die schnittmuster immer wieder ausdrucken kannst, besteht die die schnittmuster und nähanleitungen kannst du dir nach dem kauf sofort herunterladen, ausdrucken und direkt kostenlose schnittmuster, nähideen, rabattaktionen & produktneuheiten mit dem snaply newsletter. Vom kostenlosen schnittmuster zum fertigen projekt. Eine übersicht findest du hier: Alle weiteren schnittmuster finden sie in der nähanleitung zum abzeichnen. Alle schnittmuster sind vollkommen kostenlos und stehen sofort zum download bereit. 9000 schnittmuster für damen, herren, kinder, haustiere und access...
Komentar
Posting Komentar