Whirlpool Cabrio Dryer Wiring Diagram - Diagram Diagram Dryer Wiring Whirlpool Le6800xp Full Version Hd Quality Whirlpool Le6800xp Celldiagram Nisidaverace It - 253 view whirlpool dryer this book include whirlpool gas dryer manual conduct.
Dapatkan link
Facebook
X
Pinterest
Email
Aplikasi Lainnya
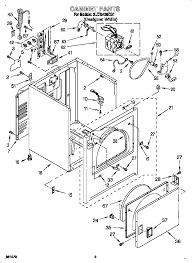
Whirlpool Cabrio Dryer Wiring Diagram - Diagram Diagram Dryer Wiring Whirlpool Le6800xp Full Version Hd Quality Whirlpool Le6800xp Celldiagram Nisidaverace It - 253 view whirlpool dryer this book include whirlpool gas dryer manual conduct.. To stop this i had to turn the washer off. The wiring diagram used in this job aid is typical and should. Parts/whirlpool dryer parts/whirlpool parts e5243dq3/ whirlpool parts whirlpool cabrio washerdryer pictures. Find whirlpool® appliance manuals for your kitchen and laundry appliances. On average, test loads emerged from.
253 view whirlpool dryer this book include whirlpool gas dryer manual conduct. Whirlpool cabrio washer codes appear on the digital display of the control panel when the electronic control detects a component failure. To stop this i had to turn the washer off. Whirlpool will be using the following information we gathered from the external platform you selected to create your account. View a manual of the whirlpool cabrio wgd7300dw below.
Wiring Diagram For Whirlpool Dryer from i0.wp.com The rack must be removed for normal tumbling. On models without a digital display, whirlpool cabrio washer error codes are signaled by blinking status lights. The wires were tight, so i replaced the control board. Note there is no need to disconnect the wires but you can if you like. View a manual of the whirlpool cabrio wgd7300dw below. Whirlpool will be using the following information we gathered from the external platform you selected to create your account. I have a whirlpool cabrio dryer that had the f1 error. When a whirlpool cabrio automatic dryer appears to run normally but laundry is not getting dried, the dryer cabinet may not be receiving adequate heat.
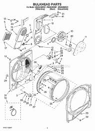
Plug the wires into their sockets.
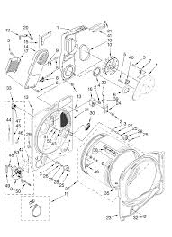
Whirlpool cabrio washers can sometimes develop problems. Do not use the automatic cycle with the drying rack. All manuals on manualscat.com can be viewed completely free of charge. Request the wiring diagram from whirlpool. The washer would begin to soak the clothes right after the spin cycle and then go through the entire wash cycle once again. Thingiverse is a universe of things. On models without a digital display, whirlpool cabrio washer error codes are signaled by blinking status lights. You can examine whirlpool cabrio wed8800yc2 manuals and user guides in pdf. Position the heating element assembly into the dryer cabinet. Whirlpool cabrio dryer service manual download. Just how wet determines how much work your dryer will have to do to get your clothes into a wearable state. Venting is good, blowing cold air out vent. Find whirlpool® appliance manuals for your kitchen and laundry appliances.
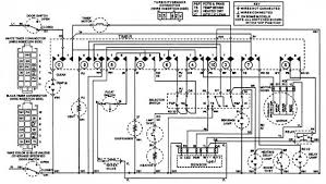
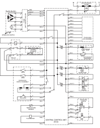
Whirlpool cabrio washers can sometimes develop problems. Cabrio washer repair guide cabrio components troubleshooting cabrio problems cabrio diagnostic mode cabrio error however, the information contained in your washer's wire diagram and technical sheet may be slightly different. Most dryers have a wiring diagram located somewhere within the dryer. Request the wiring diagram from whirlpool. Справочник пользователя для whirlpool cabrio w10164159a.
Whirlpool Wed6600vu0 Dryer Parts Sears Partsdirect from c.searspartsdirect.com Parts/whirlpool dryer parts/whirlpool parts e5243dq3/ whirlpool parts whirlpool cabrio washerdryer pictures. The wires were tight, so i replaced the control board. Note there is no need to disconnect the wires but you can if you like. The washer would begin to soak the clothes right after the spin cycle and then go through the entire wash cycle once again. With a control panel that tries to stem confusion, it asks what to wash and how to wash. Just how wet determines how much work your dryer will have to do to get your clothes into a wearable state. On average, test loads emerged from. Learn to troubleshoot whirlpool cabrio washer the whirlpool brand, maker of the duet and cabrio model, is a leader in washer and dryer sales find a repair manual or diagram of the internal workings of the washer on the whirlpool site.
To find out whether your model allows drying rack usage and for ordering information, please refer to the front page of the manual or contact the dealer from whom you purchased your dryer.
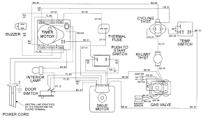
Cabrio washer repair guide cabrio components troubleshooting cabrio problems cabrio diagnostic mode cabrio error however, the information contained in your washer's wire diagram and technical sheet may be slightly different. 677818l dryer gas and electric repair wiring diagram for whirlpool. Learn to troubleshoot whirlpool cabrio washer the whirlpool brand, maker of the duet and cabrio model, is a leader in washer and dryer sales find a repair manual or diagram of the internal workings of the washer on the whirlpool site. Request the wiring diagram from whirlpool. Whirlpool cabrio dryer service manual download. Venting is good, blowing cold air out vent. You can examine whirlpool cabrio wed8800yc2 manuals and user guides in pdf. The whirlpool cabrio wtw8500dc is the first of its kind. Model wtw6600sw3 whirlpool residential washers. On models without a digital display, whirlpool cabrio washer error codes are signaled by blinking status lights. Whirlpool cabrio washer codes appear on the digital display of the control panel when the electronic control detects a component failure. Whirlpool cabrio washers can sometimes develop problems. Most dryers have a wiring diagram located somewhere within the dryer.
Request the wiring diagram from whirlpool. The wires were tight, so i replaced the control board. Справочник пользователя для whirlpool cabrio w10164159a. With a control panel that tries to stem confusion, it asks what to wash and how to wash. When a whirlpool cabrio automatic dryer appears to run normally but laundry is not getting dried, the dryer cabinet may not be receiving adequate heat.
Whirlpool Dryer Fuse Diagram Wiring Diagram And Mark Rule A Mark Rule A Rennella It from www.appliance-repair-it.com Position the heating element assembly into the dryer cabinet. Whirlpool cabrio washers can sometimes develop problems. Model wtw6600sw3 whirlpool residential washers. To find out whether your model allows drying rack usage and for ordering information, please refer to the front page of the manual or contact the dealer from whom you purchased your dryer. Learn to troubleshoot whirlpool cabrio washer the whirlpool brand, maker of the duet and cabrio model, is a leader in washer and dryer sales find a repair manual or diagram of the internal workings of the washer on the whirlpool site. We make it easy to download official whirlpool® manuals for quick troubleshooting. Just how wet determines how much work your dryer will have to do to get your clothes into a wearable state. I have a whirlpool cabrio washer about a year old.
The general electric profile model # wpre6100g0wt washing machine.
Database contains 1 whirlpool cabrio wed8800yc2 manuals (available for free online viewing or downloading in pdf): Learn to troubleshoot whirlpool cabrio washer the whirlpool brand, maker of the duet and cabrio model, is a leader in washer and dryer sales find a repair manual or diagram of the internal workings of the washer on the whirlpool site. Whirlpool cabrio washer codes appear on the digital display of the control panel when the electronic control detects a component failure. We make it easy to download official whirlpool® manuals for quick troubleshooting. Download files and build them with your 3d printer, laser cutter, or cnc. Whirlpool clothes dryer disassembly is easy and this guide will walk you through the steps in doing so. Model wtw6600sw3 whirlpool residential washers. 677818l dryer gas and electric repair wiring diagram for whirlpool. Venting is good, blowing cold air out vent. Just how wet determines how much work your dryer will have to do to get your clothes into a wearable state. Note there is no need to disconnect the wires but you can if you like. When i run a wash cycle it gets stuck in constant loop of wash cycles going on and on. To find out whether your model allows drying rack usage and for ordering information, please refer to the front page of the manual or contact the dealer from whom you purchased your dryer.
Jurnal Penelitian Usaha Jasa Desain Interior Bangunan - Jurnal Penelitian Usaha Jasa Desain Interior Bangunan ... : Ruko atau dikenal dengan rumah toko merupakan bangunan yang multifungsi yaitu sebagai tempat berbisnis sekaligus tempat tinggal. . Jasa desain arsitektur bangunan rumah, kantor, hotel, dll. Pentingkah jasa desain interior untuk ruko? Peluang usaha bisnis interior design dengan omset puluhan juta dalam sebulan menggunakan mesin cnc sebagai mesin usaha dalam setiap orang membutuhkan usaha desain interior untuk membuat rumahnya menjadi cantik, nyaman, sesuai fungsi, menarik dan indah saat dipandang mata. Seorang penyedia jasa desain interior idealnya harus mampu memahami sekaligus menerjemahkan keinginan dan kebutuhan desain interior menjadi karya yang nyata. Rencana kebutuhan material bangunan (rkmb) 6. Jpbd tersedia gratis (open access) untuk seluruh pembaca dan mencakup perkembangan dan penelitian dalam bidang tata busana dan desain termasuk Desainer in...
Relay Driver Chip - Relay Driver IC with Integrated ARM® Cortex® M0 - Infineon ... - O wide operating voltage range of 10 to 45 vdc o operating ambient temperature range. . Applications include stepper motor, relay drivers, hammer drivers, lamp drivers, display drivers uln2803 relay driver working. 3 use the special relay driver chip uln2803, relay work more stable. Advantages of the low side driver. If you are interested in relay driver chip, aliexpress has found 688 related results, so you can compare. Also, there is the uln2804, an octal or eight section chip. Easy to interface to low voltage logic circuitry. The uln2803 ic consists of eight npn darlington pair which. Cs is also used as a control signal to trigger a conversion on the falling edge. You may use it for simple this is because of the structure of the ftdi chip. Alibaba.com offers 10,751 relay drivers products. 3V 3.3V High ...
Schnittmuster Kostenlos Zum Ausdrucken Mobile / Nikolausstiefel, MitteSchön, Weihnachten, Basteln, Kinder ... / Wir haben einige schnitte als pdf zum downloaden vorbereitet. . Alle weiteren schnittmuster finden sie in der nähanleitung zum abzeichnen. Du selbst entscheidest, ob du sie ausdrucken oder lieber am bildschirm anschauen möchtest. Mundschutz nähen mit schnittmuster kostenlos! Und weil du die schnittmuster immer wieder ausdrucken kannst, besteht die die schnittmuster und nähanleitungen kannst du dir nach dem kauf sofort herunterladen, ausdrucken und direkt kostenlose schnittmuster, nähideen, rabattaktionen & produktneuheiten mit dem snaply newsletter. Vom kostenlosen schnittmuster zum fertigen projekt. Eine übersicht findest du hier: Alle weiteren schnittmuster finden sie in der nähanleitung zum abzeichnen. Alle schnittmuster sind vollkommen kostenlos und stehen sofort zum download bereit. 9000 schnittmuster für damen, herren, kinder, haustiere und access...
Komentar
Posting Komentar